| MODEL NO |
长 |
宽 |
高 |
KG |
2D |
3D |
CT-807005
订货编号 | 模組
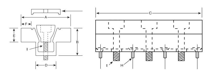
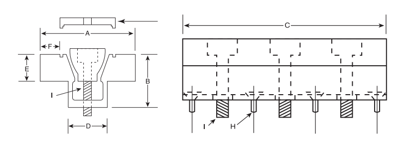
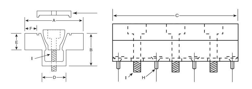
| A | B | C | D | E | F | H | I | 扭力矩(N.m) | 夾持力(N) | CT-807005 | 500 軌道形軌爪 | 28.6
| 12.7
| 190mm
| 10.67
| 6.3
| 4.6 | M2 | M4
| 3.40 | 2225
|
*A:周距須介於工件和夾持件的公差範圍内。孔及固孔在A尺寸的中央。*F:軟爪可加工的範圍尺寸。包含(3)有頭内六角螺絲(4)皿型螺絲 
|
190 |
28.6 |
12.7 |
- |
download
|
download
|
CT-807006
订货编号 | 模組
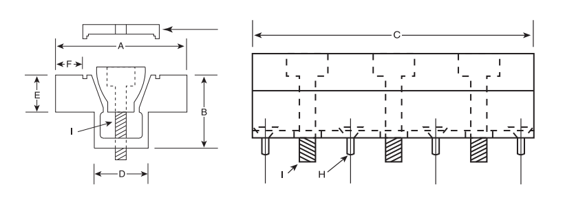
| A | B | C | D | E | F | H | I | 扭力矩(N.m) | 夾持力(N) | CT-807006 | 500 鋼鐵楔型 | NA
| NA
| 190mm
| NA
| NA
| NA | NA | NA
| NA | NA
|
*A:周距須介於工件和夾持件的公差範圍内。孔及固孔在A尺寸的中央。*F:軟爪可加工的範圍尺寸。包含(3)有頭内六角螺絲(4)皿型螺絲 
|
190 |
NA |
NA |
- |
download
|
download
|
CT-807007
订货编号 | 模組
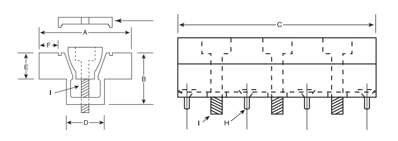
| A | B | C | D | E | F | H | I | 扭力矩(N.m) | 夾持力(N) | CT-807007 | 750 軌道形軌爪 | 38.1 | 19.0 | 190mm
| 16.05
| 9.4
| 6.6 | M4 | M6
| 14.30 | 6675
|
*A:周距須介於工件和夾持件的公差範圍内。孔及固孔在A尺寸的中央。*F:軟爪可加工的範圍尺寸。包含(3)有頭内六角螺絲(4)皿型螺絲

|
190 |
38.1 |
19.0 |
- |
download
|
download
|
CT-807008
订货编号 | 模組
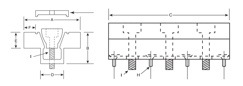
| A | B | C | D | E | F | H | I | 扭力矩(N.m) | 夾持力(N) | CT-807008 | 750 鋼鐵楔型 | NA
| NA
| 190mm
| NA
| NA
| NA | NA | NA
| NA | NA
|
*A:周距須介於工件和夾持件的公差範圍内。孔及固孔在A尺寸的中央。*F:軟爪可加工的範圍尺寸。包含(3)有頭内六角螺絲(4)皿型螺絲 
|
190 |
NA |
NA |
- |
download
|
download
|
CT-807009
订货编号 | 模組
| A | B | C | D | E | F | H | I | 扭力矩(N.m) | 夾持力(N) | CT-807009 | 1000 軌道形軌爪 | 50.8 | 25.4 | 190mm
| 20.83
| 12.7
| 9.9 | M4 | M8
| 14.50 | 8900 |
*A:周距須介於工件和夾持件的公差範圍内。孔及固孔在A尺寸的中央。*F:軟爪可加工的範圍尺寸。包含(3)有頭内六角螺絲(4)皿型螺絲 
|
190 |
50.8 |
25.4 |
- |
download
|
download
|
CT-807010
订货编号 | 模組
| A | B | C | D | E | F | H | I | 扭力矩(N.m) | 夾持力(N) | CT-807010 | 1000 鋼鐵楔型 | NA
| NA
| 190mm
| NA
| NA
| NA | NA | NA
| NA | NA
|
*A:周距須介於工件和夾持件的公差範圍内。孔及固孔在A尺寸的中央。*F:軟爪可加工的範圍尺寸。包含(3)有頭内六角螺絲(4)皿型螺絲 
|
190 |
NA |
NA |
- |
download
|
download
|